|
Crossover Distortion
We have seen that one of the main disadvantages of a Class A Amplifier is its low full power
efficiency rating. But we also know that we can improve the amplifier and almost double its
efficiency simply by changing the output stage of the amplifier to a Class B push-pull type
configuration. However, this is great from an efficiency point of view, but most modern Class B
amplifiers are transformerless or complementary types with two transistors in their output stage.
This results in one main fundamental problem with push-pull amplifiers in that the two transistors
do not combine together fully at the output both halves of the waveform due to their unique zero
cut-off biasing arrangement. As this problem occurs when the signal changes or "crosses-over"
from one transistor to the other at the zero voltage point it produces an amount of "distortion"
to
the output wave shape. This results in a condition that is commonly called Crossover Distortion.
Crossover Distortion produces a zero voltage "flat spot" or "deadband" on the output
wave
shape as it crosses over from one half of the waveform to the other. The reason for this is that
the transition period when the transistors are switching over from one to the other, does not stop
or start exactly at the zero crossover point thus causing a small delay between the first transistor
turning "OFF" and the second transistor turning "ON". This delay results in both
transistors being
switched "OFF" at the same instant in time producing an output wave shape as shown below.
Crossover Distortion Waveform

In order that there should be no distortion of the output waveform we must assume that each
transistor starts conducting when its base to emitter voltage rises just above zero, but we know
that this is not true because for silicon bipolar transistors the base voltage must reach at least
0.7v before the transistor starts to conduct thereby producing this flat spot. This crossover
distortion effect also reduces the overall peak to peak value of the output waveform causing the
maximum power output to be reduced as shown below.
Non-Linear Transfer Characteristics

This effect is less pronounced for large input signals as the input voltage is usually quite large but
for smaller input signals it can be more severe causing audio distortion to the amplifier.
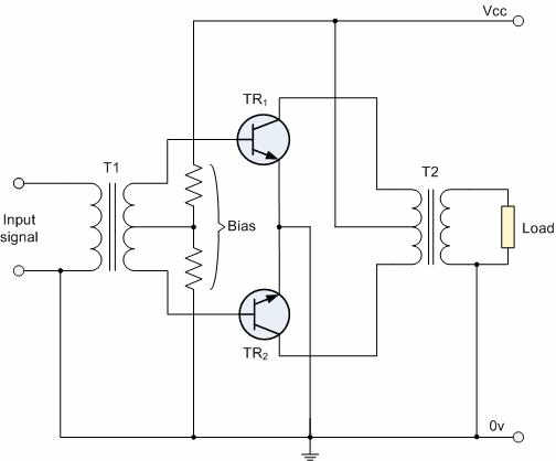
Pre-biasing the Output
The problem of Crossover Distortion can be reduced considerably by applying a slight forward
base bias voltage (same idea as seen in the Transistor tutorial) to the bases of the two transistors
via the centre-tap of the input transformer, thus the transistors are no longer biased at the zero
cut-off point but instead are "Pre-biased" at a level determined by this new biasing voltage.
Push-pull Amplifier with Pre-biasing

This type of resistor pre-biasing causes one transistor to turn "ON" exactly at the same time
as
the other transistor turns "OFF" as both transistors are now biased slightly above their original
cut-off point. However, to achieve this the bias voltage must be at least twice that of the normal
base to emitter voltage to turn "ON" the transistors. This pre-biasing can also be implemented
in
transformerless amplifiers that use complementary transistors by simply replacing the two
potential divider resistors with Biasing Diodes as shown below.
Pre-biasing with Diodes

This pre-biasing voltage either for a transformer or transformerless amplifier circuit, has the effect
of moving the amplifiers Q-point past the original cut-off point thus allowing each transistor to
operate within its active region for slightly more than half or 180o of each half cycle. In other
words 180o + Bias. This then produces an amplifier circuit commonly called a Class AB
Amplifier and its biasing arrangement is given below.
Class AB Output Characteristics

Distortion Summary
Then to summarise, Crossover Distortion occurs in Class B amplifiers because the amplifier is
biased at its cut-off point. This then results in BOTH transistors being switched "OFF" at
the
same instant in time. By applying a small base bias voltage either by using a resistive potential
divider circuit or diode biasing this crossover distortion can be greatly reduced or even
eliminated completely. The application of a biasing voltage produces another type or class of
amplifier circuit commonly called a Class AB Amplifier. Then the difference between a pure
Class B amplifier and an improved Class AB amplifier is in the biasing level applied to the output
transistors. Therefore,
we can say the a Class AB amplifier is a Class B amplifier with Bias.
|